-
无级变速 编辑
无级变速是自动挡车型变速箱中的一种,指可以连续获得变速范围内任何传动比的变速系统。通过无级变速可以得到传动系与发动机工况的最佳匹配。常见的无级变速器有液力机械式无级变速器和金属带式无级变速器(VDT-CVT)以及可变斜面式无级变速器。
中文名:无级变速
外文名:Continuously VariableTransmission
适用范围:汽车零件等
功能:变速系统
无级变速原理
CVT即无级变速传动,其英文全称Continuously Variable Transmission,简称CVT。发明这种变速传动机构的是荷兰人,有其装置的变速器也称为无段变速箱或者无级变速器。这种变速器和普通自动变速器的最大区别是它省去了复杂而又笨重的齿轮组合变速传动,而只用了两组带轮进行变速传动。通过改变驱动轮与从动轮传动带的接触半径进行变速,其设计构思十分巧妙。由于CVT可以实现传动比的连续改变,从而得到传动系与发动机工况的最佳匹配,提高整车的燃油经济性和动力性,改善驾驶员的操纵方便性和乘员的乘坐舒适性,所以它是理想的汽车传动装置。无段变速箱轿车一样有自己的档位,停车档P、倒车档R、空档N、前进档D等,只是汽车前进自动换档时十分平稳,没有突跳的感觉。
为实现无级变速,按传动方式可采用液体传动、电力传动和机械传动三种方式。
液体传动
液体传动分为两类:一类是液压式,主要是由泵和马达组成或者由阀和泵组成的变速传动装置,适用于中小功率传动,液压式又包括静液压式和液压机械式两种。另一类为液力式,采用液力耦合器或液力矩进行变速传动,适用于大功率(几百至几千千瓦)。 液体传动的主要特点是:调速范围大,可吸收冲击和防止过载,传动效率较高,寿命长,易于实现自动化:制造精度要求高,价格较贵,输出特性为恒转矩,滑动率较大,运转时容易发生漏油。
电力传动
无级变速
机械传动
传统的机械传动的特点主要是:转速稳定,滑动率小,工作可靠,具有恒功率机械特性击性较差,故一般适合于中、小功率传动,传动效率较高,而且结构简单,维修方便,价格相对便宜;但零部件加工及润滑要求较高,承载能力较低,抗过载及耐冲击性较差,故一般适合于中、小功率传动。
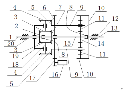
新型无级变速器的结构简图
新型CVT结构紧凑,占用空间小,成本低廉,传动效率高,可以实现高负载下的有效传动,使用很方便,便于大规模推广使用。
可变斜面式无级变速器性能更加优越,多项技术指标超出人们对无级变速器的要求。
常见的无级变速器有液力机械式无级变速器和金属带式无级变速器(VDT-CVT),国内市场上能见到的、采用了这种技术的有奥迪A6部分车型、比亚迪(G3)、日产(阳光、天籁、轩逸、逍客、骐达)、派力奥(西耶那、周末风)、本田思域和、飞度(新款才有)、MG 3SW、旗云、长城(腾翼系列轿车)、帝豪(EC7、EC7-RV/远景)等车型,偏向于大型的有沃尔沃产的巴士。
无级变速器和自动变速器的渊源
自动变速器是为了简便操作、降低驾驶疲劳而生的,按齿轮变速系统的控制方式,它可以分为液控液压自动变速器和电控液压自动变速器;按传动比的变化方式又可分为有级式自动变速器和无级式自动变速器。因此,无级变速器实际上是自动变速器的一种,但它比常见的自动变速器要复杂得多,技术上也更为先进。
无级变速器与常见的液压自动变速器最大的不同是在结构上,后者是由液压控制的齿轮变速系统构成,还是有挡位的,它所能实现的是在两挡之间的无级变速,而无级变速器则是两组变速轮盘和一条传动带组成的,比传统自动变速器结构简单,体积更小。另外,它可以自由改变传动比,从而实现全程无级变速,使车速变化更为平稳,没有传统变速器换挡时那种“顿”的感觉。
奥迪Multitronic无级/手动一体变速器
奥迪的Multitronic变速器是在原有无级变速器的基础上安装了一种称为多片式链带的传动组件,这种组件大大拓展了无级变速器的使用范围,能够传递和控制峰值高达280 N·m的动力输出,其传动比超过了以前各种自动变速器的极限值。该变速器的明显优势是耗能少,反应更快,从车辆的整体性能来看,装有Multitronic变速器的奥迪A6 2.8轿车的0~100 km/h加速时间比同级普通自动变速器车型快了1.3 s,百公里油耗降低了0.9 L。
Multitronic 还采用了全新的电子控制系统,以克服原有无级变速器的不足。比如在上下坡时,系统能自动探测坡度,并通过调整速比增加动力输出或加大发动机的制动扭矩来协助车辆行驶。
相对于传统的自动变速器,Multitronic有更高的灵活性,在增加或删除变速模式的时候,只需要更改电脑程序即可改变齿轮的比数和半径,因此可以和多台不同类型、不同输出特性的发动机配合使用。
旗云CVT
旗云CVT采用了德国ZF公司生产的VT1F无级变速器,和它出色的发动机一起,这一整套动力和传动系统都来自于宝马MINICOOPER。该无级变速器有无级变速、自动巡航、运动模式和6挡手动4种驾驶模式,与电子油门配合以后更接近智能化控制,采用了CVT变速器的旗云百公里油耗仅比原来增加了0.3 L(厂家数字)。
派力奥Speedgear
派力奥(西耶那、周末风)Speedgear是一种手/自一体式电控无级变速器(ECVT),南京菲亚特率先把它应用在小型车上。它提供两种换挡模式:电控无级自动变速模式和6挡顺序手动变速模式,驾驶者可以根据喜好选择不同的换挡方法。Speedgear由液力扭矩转换器、两个可变直径钢带轮和一根传动金属带(一定数量的钢片和两根9层钢带)组成,具有更宽的传动比,同时具有无级变速器结构简单、体积紧凑的特点。
飞度CVT
飞度的CVT无级变速器是专门为小型车设计的,属于新一代钢带无级自动变速器,可允许两个带轮之间进行高扭矩传递,运转平稳、传动效率高,是小型车里较好的。飞度的CVT变速器还带有S挡(运动模式),既追求流畅感、低油耗,又不乏驾驶乐趣。
CVT技术真正应用在汽车上不过十几年的时间,但它比传统的手动和自动变速器的优势却是显而易见的:
1. 结构简单,体积小,零件少,大批量生产后的成本肯定要低于当前普通自动变速器的成本;
2. 它的工作速比范围宽,容易与发动机形成理想的匹配,从而改善燃烧过程,进而降低油耗和排放;
3. 具有较高的传送效率,功率损失少,经济性高。
当然,CVT技术也有它的弱点,比如传动带容易损坏,无法承受较大的载荷等等,这些技术上的难关使得它一直以来多应用在小排量、低功率的汽车上。
CVT技术发展得相当迅速,各大汽车厂家都在加强这一领域的研发。尤其是在混合动力汽车具有广泛前景的将来,CVT的地位和作用更是无可替代,它将会是未来变速器发展的大趋势。
其它车型:大众途观等合资车。
平衡式行星齿轮无极(级)变速器
技术简介:此技术利用两套齿轮组形成一个受控的平衡端从而实现变速。平衡端就像一架平衡状态下的天平一样,只需很小的力就能打破平衡使平衡端转动,通过改变这个力的大小就能控制平衡端的转速从而实现变速。
无级变速
原理图说明:1是输入轴13是输出轴。锥形太阳齿轮7和太阳齿轮14通过中间轴固定连接。中间轴15两端分别插在输入轴1与输出轴13中间滑动连接。行星轮支架19与输入轴1与锥形齿轮3和4的连接轴18都是滑动连接。锥形齿轮3和4通过轴固定连接。平衡端支架9与锥形齿圈5固定连接与行星齿轮11滑动连接。平衡端齿轮6与中间轴滑动连接与平衡支架9固定连接。输出轴13与内齿圈10固定连接。16是控制器为阻尼器或电机。
工作原理:假设锥形齿圈5固定不转,当输入轴1带动锥形齿轮2正方向转动时,通过锥形齿轮3和4使得锥形太阳齿轮7与太阳齿轮14反转,此时锥形齿轮4给了锥形齿圈5一个正方向的力。太阳齿轮14反转促使行星齿轮架9(平衡端支架9)产生一个反转的力,此时这个反转的力与锥形齿圈5上正转的力大小相等、方向相反互相作用形成平衡端,所以锥形齿轮5和平衡支架9不转。这时候只要锥形齿圈5和平衡支架9在外力作用下转动并改变转速,输出端就变速了。形象点说平衡端就像一架平衡状态下的天平,只要给很小的外力就能打破平衡。再通过控制这个很小的力就能控制平衡端的转速从而实现变速。如果用电机控制平衡端反转还能实现离合器的功能。
套用一组数据说明:差速器齿轮组锥形齿轮5为50齿,其他锥形齿轮为10齿。行星减速齿轮组太阳齿轮14为10齿,内齿太阳轮10为30齿。这时平衡端形成。假设平衡端不动,单位时间内输入轴1正转6圈,锥形太阳齿7与太阳齿14反转4圈,输出轴正转1.33圈。输入输出比为4.5比1,起到减速器的作用。此时若平衡端反转输出端会变慢,当平衡端反转速度与输入端速度到达一定比例时输出端不转,这样就实现了离合器的功能。此时若平衡端正转并加速则输出端加速,直到输入端、平衡端与输出端速度相同达到一比一的速比。
控制说明:本设计首选阻尼器控制,因为阻尼器控制速度越高其损耗越小。设计时让锥形齿轮5正方向转动的力大于行星齿轮架9反方向的力一点促使平衡端正转。这样只用阻尼器就能控制平衡端实现变速。多余的力也不会浪费,它会转而通过锥形齿轮7最后作用于输出端。电机控制由于需要额外的功率所以会降低效率,但它可以用于离合器的控制。
效率分析:此技术最关键的是平衡端的稳定性和齿轮的效率。稳定性越好控制其力量越小效率越高。稳定性方面系统必须采用斜齿的方式。还有一些其他方式也能提高稳定性。齿轮传动中假设每经过一级齿轮消耗百分之一的力,那么此结构变速器经过五级齿轮传动在车辆起步时效率接近94%。当车辆速度达到四十公里每小时效率接近97%。当到达八十公里每小时以上的速度时效率接近100%。此时输入端与输出端速度相同,变速器就好似一根传动轴只有轴承略有阻力消耗。
技术优势:该技术同时拥有CVT无级变速和齿轮变速的共同优点。所以此技术在提速、大扭矩与高速时更能显示其优越性。此技术还能同时实现离合器的功能。
成本优势:此技术主要部件就是齿轮,控制部件是阻尼器和电机。零部件较少。
市场优势:此技术不仅能应用在各种车辆上,还能在其他各种需要不同变速比的机械上使用。如果输入端与输出端反用还能成为无级增速器用于大型风力发电机组,使其变速更简单。应用范围甚广。
技术现状:此技术现处于理论阶段,样品设计和软件模拟正在进行中。
1、本站所有文本、信息、视频文件等,仅代表本站观点或作者本人观点,请网友谨慎参考使用。
2、本站信息均为作者提供和网友推荐收集整理而来,仅供学习和研究使用。
3、对任何由于使用本站内容而引起的诉讼、纠纷,本站不承担任何责任。
4、如有侵犯你版权的,请来信(邮箱:baike52199@gmail.com)指出,核实后,本站将立即删除。

















